
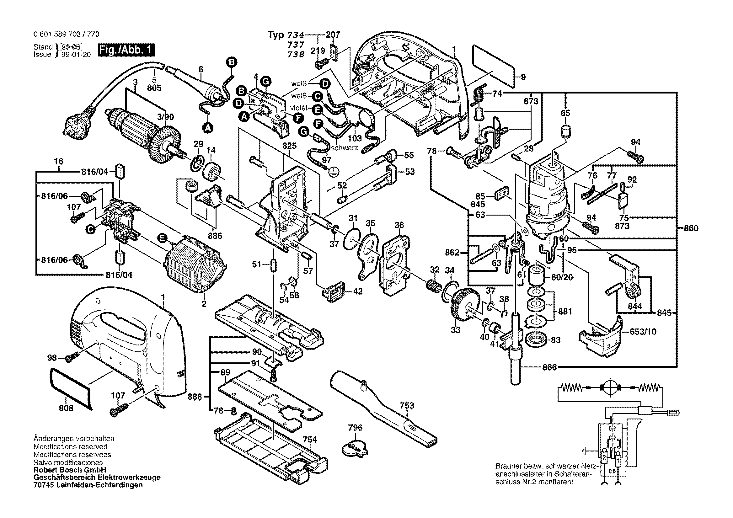
Bei uns erhalten Sie Ersatzteile für Bosch Stichsäge STP110-EB (0601589763) (194967). Bestellen Sie die benötigen Teile ganz bequem über die Stückliste Bosch Stichsäge STP110-EB (0601589763) oder per Klick in der Bosch Stichsäge STP110-EB (0601589763) Explosionszeichnung.
Sie sind auf der Suche nach Ersatzteilen für Bosch Stichsäge STP110-EB (0601589763)? In unserer Explosionszeichnung können Sie die benötigen Ersatzteile per Klick auswählen und bequem liefern lassen.
Wir sind Ihr Onlineshop für Ersatzteile von Bosch Stichsäge STP110-EB (0601589763). Bei uns können Sie die Ersatzteile ganz einfach auswählen und bestellen. Häufige Suchanfragen: Bosch Stichsäge STP110-EB (0601589763)defekt, Bosch Stichsäge STP110-EB (0601589763) kaputt, Bosch Stichsäge STP110-EB (0601589763) funktioniert nicht, Bosch Stichsäge STP110-EB (0601589763) Ersatzteile.